1
/
of
3
VXB
UCP212-38 2-3/8" Black oxide Plated Insert Pillow Block Mounted Bearing
UCP212-38 2-3/8" Black oxide Plated Insert Pillow Block Mounted Bearing
Regular price
$108.00 USD
Regular price
$120.00 USD
Sale price
$108.00 USD
Unit price
/
per
Shipping calculated at checkout.
Couldn't load pickup availability
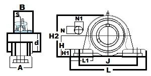
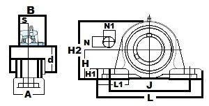
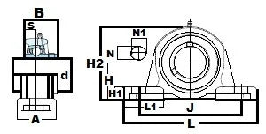
| UCP212-38 Black oxide Plated Insert Pillow Block Bearing Cylindrical bore (with set screws) 2 3/8" Inner Diameter Bearing |
|
This is the most common type of mounted ball unit. Black oxide has certain properties and characteristics that makes it ideal for certain applications. It is used to add corrosion resistance and for appearance.
|
| Dimensions (inches) | |||||||||||
|---|---|---|---|---|---|---|---|---|---|---|---|
| d | H | L | A | J | N | N1 | H1 | H2 | L1 | B | S |
| 2-7/16" | 3" | 11-1/4" | 3-1/4" | 8" | 31/32" | 1-9/16" | 1-3/32" | 5-31/32" | 3-15/32" | 2-9/16" | 1" |
Share
