1
/
of
3
VXB
UCFA204 Black Oxide Plated Insert Bearing + Flange Cartridge Bearing Unit 20mm Mounted Bearing
UCFA204 Black Oxide Plated Insert Bearing + Flange Cartridge Bearing Unit 20mm Mounted Bearing
Regular price
$53.99 USD
Regular price
$59.99 USD
Sale price
$53.99 USD
Unit price
/
per
Shipping calculated at checkout.
Couldn't load pickup availability
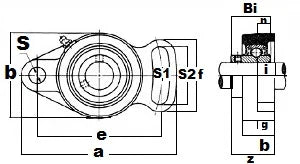
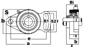
| UCFA204 Black Oxide Plated Insert Bearing Adjustable Flange Cartridge Unit 20mm Inner Diameter |
|
UCFA204 Adjustable Flange Cartridge Unit, the inner Diameter is 20mm. Black oxide has certain properties and characteristics that makes it ideal for certain applications. It is used to add corrosion resistance and for appearance
|
| Dimensions (mm) | |||||||||||
|---|---|---|---|---|---|---|---|---|---|---|---|
| a | e | i | g | S | S1 | S2 | b | f | z | Bi | n |
| 102 | 77.8 | 15.1 | 11.9 | 9.9 | 9.9 | 36.1 | 60.3 | 54 | 33.3 | 31 | 12.7 |
Share
