1
         / 
        of
        4
      
      
    VXB
RU297UU Cross Roller Slewing Ring Turntable Bearing 210x380x40mm
RU297UU Cross Roller Slewing Ring Turntable Bearing 210x380x40mm
Regular price
          
            $1,393.20 USD
          
      
          Regular price
          
            
              
                $1,548.00 USD
              
            
          Sale price
        
          $1,393.20 USD
        
      
      
        Unit price
        
          
          /
           per 
          
          
        
      
    Shipping calculated at checkout.
Couldn't load pickup availability
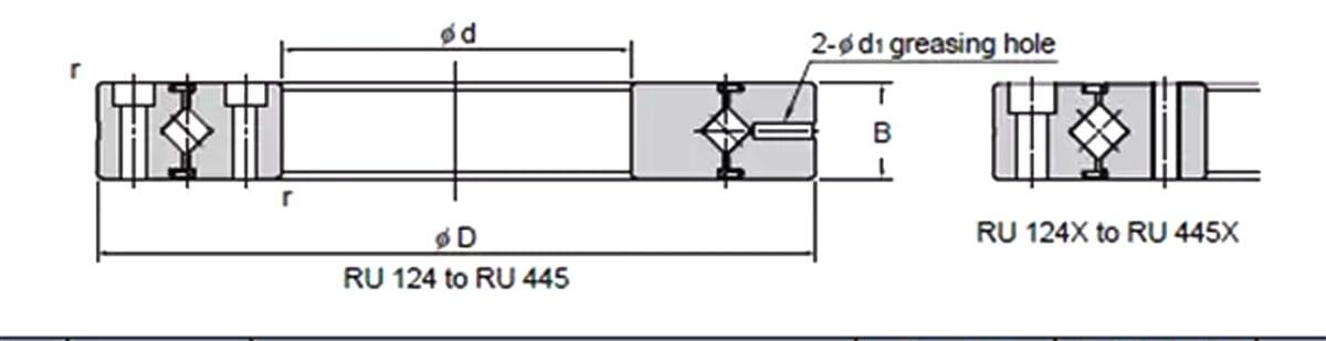
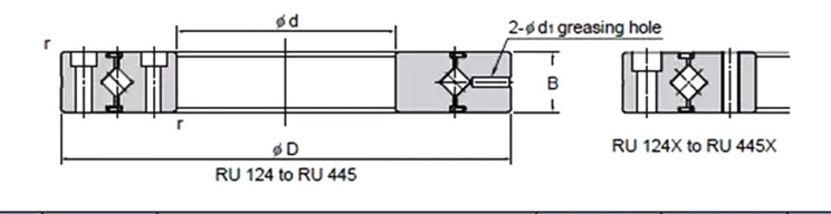
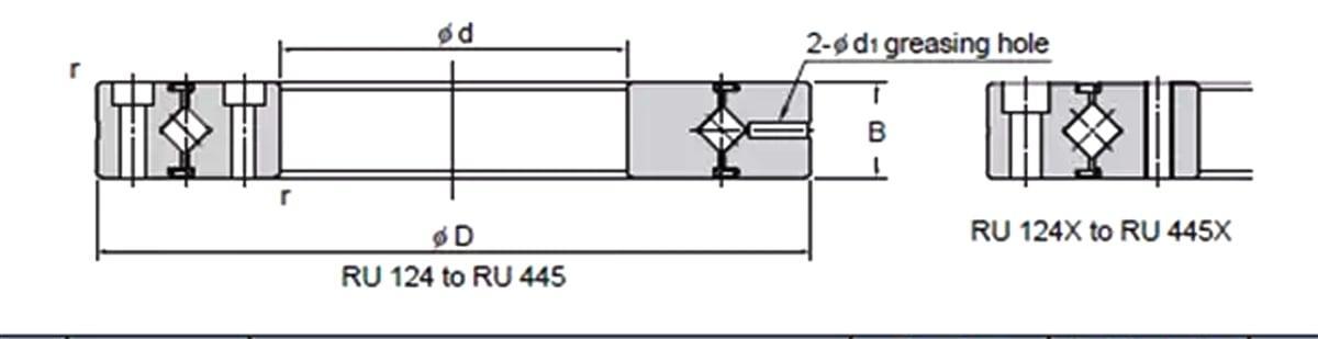
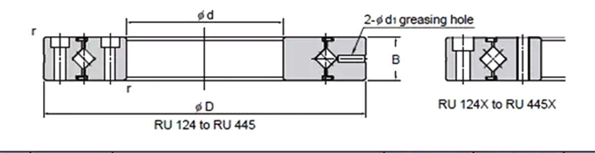
| RU297UU     Cross Roller Bearing 210x380x40mm | 
| RU297UU With the Cross-Roller Ring, cylindrical rollers are arranged crosswise.This design allows just one bearing to receive loads in all directions including, radial, axial and moment load. The inner and outer rings are designed to be separable, the bearing clearance can be adjusted. In addition, highly accurate rotary motion is ensured through adjusting the bearing clearance to provide a preload. . 
 | 
Share
 
 
 

 
           
     
     
    