1
/
of
3
VXB
HC214 70mm Bearing Insert - eccentric collar Mounted
HC214 70mm Bearing Insert - eccentric collar Mounted
Regular price
$117.89 USD
Regular price
$130.99 USD
Sale price
$117.89 USD
Unit price
/
per
Shipping calculated at checkout.
Couldn't load pickup availability
|
HC214 70mm Bearing Insert Eccentric Locking Collar 70mm Inner Diameter |
HC214-70mm Bearing Insert, Bearing is Standard load capacity, bearing is Wide inner ring with spherical outer ring, Bearing is re lubrication groove with oil hole on set screw side, bearing has oil hole opposite groove makes it interchangeable with all manufacturers, bearing is nylon patched class 3A set screw, Standard seal is R-Seal.
|
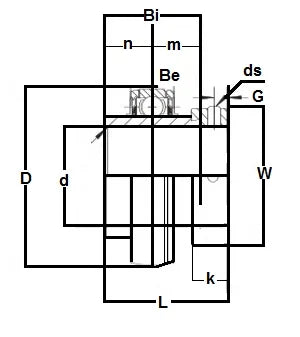
| Dimensions (mm) | ||||||||||
|---|---|---|---|---|---|---|---|---|---|---|
| D | L | Bi | Be | r | n | m | W | K | G | ds(UNF-Thread) |
| 125 | 85.7 | 68.2 | 29 | 2.5 | 34.1 | 34.1 | 90 | 23.8 | 8.5 | M12xP1.5 |
Share
