1
/
of
7
VXB
HC208 40mm Bearing Insert - eccentric collar 40mm Mounted
HC208 40mm Bearing Insert - eccentric collar 40mm Mounted
Regular price
$44.99 USD
Regular price
$49.99 USD
Sale price
$44.99 USD
Unit price
/
per
Shipping calculated at checkout.
Couldn't load pickup availability
|
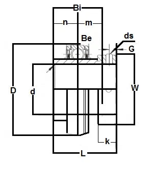
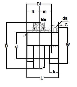
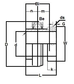
HC208 40mm Bearing Insert Eccentric Locking Collar 40mm Inner Diameter |
HC208 40mm Bearing Insert with eccentric Collar, Bearing is Standard load capacity, bearing is Wide inner ring with spherical outer ring, Bearing is re lubrication groove with oil hole on set screw side, bearing has oil hole opposite groove makes it interchangeable with all manufacturers, bearing is nylon patched class 3A set screw, Standard seal is R-Seal.
|
| Dimensions (mm) | ||||||||||
|---|---|---|---|---|---|---|---|---|---|---|
| D | L | Bi | Be | r | n | m | W | K | G | ds(UNF-Thread) |
| 80 | 56.3 | 42.8 | 22 | 2 | 21.4 | 21.4 | 60.3 | 18.3 | 6.5 | M10xP1.25 |
Share
