vendor-unknown
UCP214-44 2-3/4" Pillow Block Mounted Bearing 2.75" ID
UCP214-44 2-3/4" Pillow Block Mounted Bearing 2.75" ID
Impossible de charger la disponibilité du service de retrait
UCP214-44 Pillow Block Bearing – 2-3/4" Shaft
✔️ Heavy-Duty Mounted Unit – Set Screw Lock – Cast Housing
The UCP214-44 is a robust pillow block bearing unit with a 2-3/4" inner diameter, designed for heavy-duty machinery and industrial applications. It features a cast iron housing with set screw locking to hold the shaft securely, even under shock and vibration. Perfect for conveyors, crushers, and heavy-load systems. This listing includes one bearing.
✅ Bearing type: Mounted pillow block unit
✅ Model: UCP214-44
✅ Inner diameter (shaft size): 2-3/4"
✅ Bore type: Cylindrical (with set screws)
✅ Housing material: Cast iron
✅ Bolt size: 3/4"
✅ Dynamic load rating (Cr): 62.2 kN
✅ Static load rating (Cor): 44.1 kN
✅ Quantity: 1 unit
✅ Bearing No: UC214-44
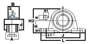
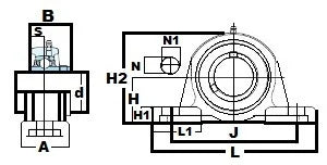
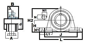
Dimensions (inches):
| d | H | L | A | J | N | N1 | H1 | H2 | L1 | B | S |
|---|---|---|---|---|---|---|---|---|---|---|---|
| 2-3/4" | 3-1/8" | 10-15/32" | 2-27/32" | 8-9/32" | 31/32" | 1-3/16" | 1-3/32" | 6-5/32" | 3-1/16" | 2-15/16" | 3/16" |
💡 Why use pillow block bearings for heavy machinery?
Pillow block bearings offer strong shaft support, easy installation, and stability under high loads. With cast housings and set screw locks, they’re perfect for applications that face shock, vibration, and demanding mechanical stress.
When strength and support matter most, this bearing delivers. Lock it in today and keep your equipment working hard!
Share
