1
/
de
6
VXB
UC218-56 Bearing Insert 3 1/2" Mounted
UC218-56 Bearing Insert 3 1/2" Mounted
Prix habituel
$225.89 USD
Prix habituel
$250.99 USD
Prix promotionnel
$225.89 USD
Prix unitaire
/
par
Frais d'expédition calculés à l'étape de paiement.
Impossible de charger la disponibilité du service de retrait
| This item will be shipped within One Week Returns Subject to 15% restocking Fee |
|
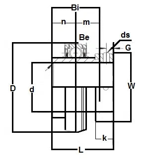
UC218-56 Bearing Insert Set Screw Locking 3 1/2" Inch Inner Diameter |
UC218-56 Bearing Insert, Bearing is standard duty, bearing is Wide inner ring with spherical outer ring, Bearing is relubrication groove with oil hole on set screw side, bearing is nylon patched class 3A set screw, Standard seal is R-Seal.
|
| Dimensions (Inches) | ||||||||
|---|---|---|---|---|---|---|---|---|
| D | Bi | Be | r | n | m | G | W | ds(UNF-Thread) |
| 6-19/64" | 3-25/32" | 1.417" | 0.118" | 1-9/16" | 2-7/32" | 19/32" | 4-25/64" | 1/2-20x1/2 |
Share
