1
/
de
3
VXB
HC216 80mm Bearing Insert - eccentric collar 80mm Mounted
HC216 80mm Bearing Insert - eccentric collar 80mm Mounted
Prix habituel
$243.89 USD
Prix habituel
$270.99 USD
Prix promotionnel
$243.89 USD
Prix unitaire
/
par
Frais d'expédition calculés à l'étape de paiement.
Impossible de charger la disponibilité du service de retrait
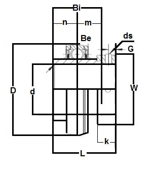
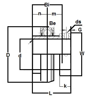
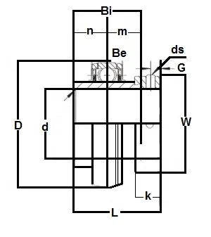
| HC216 80mm Bearing Insert Insert with eccentric collar 80mm Inner Diameter |
HC216 80mm Bearing Insert with eccentric collar, Bearing is standard duty, bearing is Wide inner ring with spherical outer ring, Bearing is rel ubrication groove with oil hole on set screw side, bearing is nylon patched class 3A set screw, Standard seal is R-Seal.
|
| Dimensions (mm) | ||||||||
|---|---|---|---|---|---|---|---|---|
| D | Bi | Be | r | n | m | G | W | ds(UNF-Thread) |
| 140 | 82.6 | 32 | 3 | 33.3 | 49.3 | 14 | 98.5 | M12xP1.5 |
Share
