1
/
de
3
VXB
Insert GER207-35mm GRIP-IT, roulement à 360 degrés de 35mm
Insert GER207-35mm GRIP-IT, roulement à 360 degrés de 35mm
Prix habituel
$172.79 USD
Prix habituel
$191.99 USD
Prix promotionnel
$172.79 USD
Prix unitaire
/
par
Frais d'expédition calculés à l'étape de paiement.
Impossible de charger la disponibilité du service de retrait
| Cet article sera expédié dans la semaine. Les retours sont soumis à des frais de réapprovisionnement de 15 %. |
|
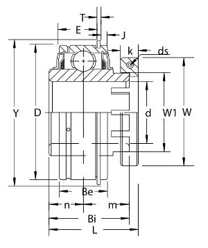
Insert de roulement GER207-35mm GRIP-IT, verrouillage à 360 degrés Verrouillage par vis de réglage Diamètre intérieur de 35 mm |
Insert de roulement GER207-35 mm, verrouillage à 360° GRIP-IT, capacité de charge standard, bague intérieure large avec bague extérieure cylindrique et anneau de retenue, rainure de relubrification avec orifice d'huile sur le côté opposé du collet de verrouillage, bagues intérieure et extérieure plaquées oxyde noir, vis de réglage en nylon de classe 3A, joint standard R-seal.
|
| Dimensions (en mm) | |||||||||||||
|---|---|---|---|---|---|---|---|---|---|---|---|---|---|
| D | Bi | Être | L | n | m | E | W1 | J | T | Y | K | W | ds (Fil de discussion UNF) |
| 72 | 42,9 | 23,8 | 47,5 | 17,5 | 25,4 | 18,6 | 46,8 | 3,28 | 1,9 | 78,6 | 11,2 | 65,4 | 10-24x3/4 |
Share
