1
/
de
3
FYH
FYH UCFC-214 70mm Round Flanged Bearing Mounted Bearing
FYH UCFC-214 70mm Round Flanged Bearing Mounted Bearing
Prix habituel
$299.70 USD
Prix habituel
$333.00 USD
Prix promotionnel
$299.70 USD
Prix unitaire
/
par
Frais d'expédition calculés à l'étape de paiement.
Impossible de charger la disponibilité du service de retrait
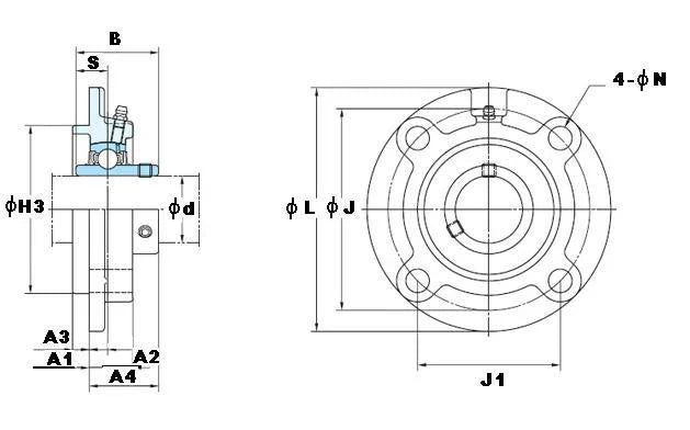
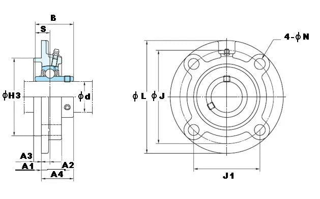
| UCFC-214 FYH Bearing Round flanged Mounted Bearing Cylindrical bore (with set screws) 70mm Inner Diameter Bearing |
|
This four-bolt flange cartridge unit has a round cartridge on the backside of the flange which allows for precise mounting and alignment.Application are Rotating drum, rotating roller and areas where precise mounting accuracy is required.
|
|||||||||||||||||||||||||||||||||||||||
Share
