1
/
de
3
FYH
FYH UCFC-211-34 2 1/8 Round Flanged Bearing Mounted Bearing
FYH UCFC-211-34 2 1/8 Round Flanged Bearing Mounted Bearing
Prix habituel
$166.49 USD
Prix habituel
$184.99 USD
Prix promotionnel
$166.49 USD
Prix unitaire
/
par
Frais d'expédition calculés à l'étape de paiement.
Impossible de charger la disponibilité du service de retrait
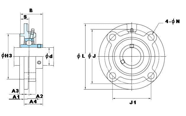
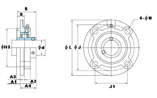
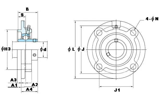
| UCFC-211-34 FYH Bearing Round flanged Mounted Bearing Cylindrical bore (with set screws) 2 1/8" Inner Diameter Bearing |
This four-bolt flange cartridge unit has a round cartridge on the backside of the flange which allows for precise mounting and alignment.Application are Rotating drum, rotating roller and areas where precise mounting accuracy is required.
|
| Dimensions (Inches) | |||||||||||
|---|---|---|---|---|---|---|---|---|---|---|---|
| d | L | H3 | J | J1 | N | A1 | A2 | A3 | A4 | B | S |
| 2-1/8" | 7-9/32" | 4-59/64" | 5-29/32" | 4-11/64" | 3/4" | 1-7/32" | 33/64" | 15/32" | 1-13/16" | 2-3/16 | 7/8" |
Share
