1
/
de
3
VXB
FHP207-20G Pillow Block Standard Shaft Height 1 1/4 Bearing
FHP207-20G Pillow Block Standard Shaft Height 1 1/4 Bearing
Prix habituel
$97.20 USD
Prix habituel
$108.00 USD
Prix promotionnel
$97.20 USD
Prix unitaire
/
par
Frais d'expédition calculés à l'étape de paiement.
Impossible de charger la disponibilité du service de retrait
| This item will be shipped within One Week Returns Subject to 15% restocking Fee |
|
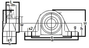
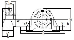
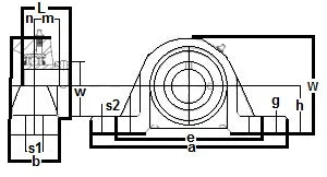
FHP207-20G Pillow Block Standard Shaft Height Ball Bearing Eccentric Locking Collar 1 1/4" Inner Diameter |
FHP207-20G Pillow Block Standard Shaft Height Ball Bearing, Bearing is solid foot housing design, bearing has Narrow inner ring, bearing is Non-relubricatable unit, Standard seal is RST tight riding, full cover, metal shroud seals.
|
| Dimensions (inches) | |||||||||||
|---|---|---|---|---|---|---|---|---|---|---|---|
| h | a | e | b | s1 | s2 | g | w | L | n | m | W |
| 1-7/8" | 6-9/16" | 5" | 1-13/16" | 21/32" | 13/16" | 23/32" | 3-11/16" | 1-17/32" | 3/8" | 5/8" | 2-3/16" |
Share
