1
/
de
3
VXB
FHLP209-27 Pillow Block Low Shaft Height 1 5/8 Bearing
FHLP209-27 Pillow Block Low Shaft Height 1 5/8 Bearing
Prix habituel
$128.69 USD
Prix habituel
$142.99 USD
Prix promotionnel
$128.69 USD
Prix unitaire
/
par
Frais d'expédition calculés à l'étape de paiement.
Impossible de charger la disponibilité du service de retrait
| This item will be shipped within One Week Returns Subject to 15% restocking Fee |
|
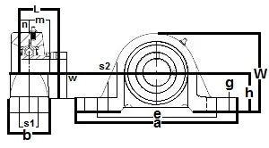
FHLP209-27 Pillow Block Low Shaft Height Ball Bearing Eccentric Locking Collar 1 11/16" Inner Diameter |
FHLP209-27 Pillow Block Low Shaft Height Ball Bearing, Bearing is solid foot housing design, bearing has Narrow inner ring, bearing is Non-relubricatable unit, Standard seal is RST tight riding, full cover, metal shroud seals.
|
| Dimensions (inches) | |||||||||||
|---|---|---|---|---|---|---|---|---|---|---|---|
| h | a | e | b | s1 | s2 | g | w | L | n | m | W |
| 2-1/16" | 7-15/32" | 5-3/4" | 2-1/64" | 21/32" | 13/16" | 11/16" | 4-3/16" | 123/32" | 7/16" | 3/4" | 2-1/2" |
Share
