1
/
de
3
VXB
FHLP204-12 Pillow Block Low Shaft Height 3/4 Bearing
FHLP204-12 Pillow Block Low Shaft Height 3/4 Bearing
Prix habituel
$58.50 USD
Prix habituel
$65.00 USD
Prix promotionnel
$58.50 USD
Prix unitaire
/
par
Frais d'expédition calculés à l'étape de paiement.
Impossible de charger la disponibilité du service de retrait
| This item will be shipped within One Week Returns Subject to 15% restocking Fee |
|
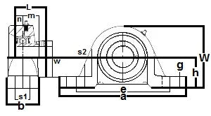
FHLP204-12 Pillow Block Low Shaft Height Ball Bearing Eccentric Locking Collar 3/4" Inner Diameter |
FHLP204-12 Pillow Block Low Shaft Height Ball Bearing, Bearing is solid foot housing design, bearing has Narrow inner ring, bearing is Non-relubricatable unit, Standard seal is RST tight riding, full cover, metal shroud seals.
|
| Dimensions (inches) | |||||||||||
|---|---|---|---|---|---|---|---|---|---|---|---|
| h | a | e | b | s1 | s2 | g | w | L | n | m | W |
| 1-1/4" | 5" | 3-3/4" | 1-11/32" | 1/2" | 3/4" | 15/32" | 2-15/32" | 1-7/32" | 19/64" | 9/16" | 1-1/4" |
Share
