1
/
de
3
VXB
FHFD205-15 Bearing Flange 2 Bolt 15/16 Inch
FHFD205-15 Bearing Flange 2 Bolt 15/16 Inch
Prix habituel
$53.99 USD
Prix habituel
$59.99 USD
Prix promotionnel
$53.99 USD
Prix unitaire
/
par
Frais d'expédition calculés à l'étape de paiement.
Impossible de charger la disponibilité du service de retrait
| This item will be shipped within One Week Returns Subject to 15% restocking Fee |
|
FHFD205-15 Flange Light Duty 2 Bolt Unit Ball Bearings Eccentric Locking Collar 15/16" Inch Inner Diameter |
FHFD205-15 Flange Light Duty 2 Bolt Unit Ball Bearing, Bearing is Light Duty and high grade cast iron, ideal for applications with limited mounting space, bearing is narrow inner ring, bearing is Non-relubricatable, Standard seal is RST tight riding, full cover, metal shroud seals.
|
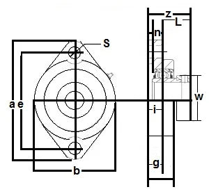
| Dimensions (Inches) | |||||||||
|---|---|---|---|---|---|---|---|---|---|
| a | e | i | g | s | b | Z | L | n | W |
| 3-3/4" | 3" | 3/8" | 21/32" | 25/64" | 2-25/32" | 1-5/16 | 1-7/32" | 19/64" | 1-1/2" |
Share
