VXB
1000mm (39inch) Aluminum V-Slot Extrusion 2020 Profile - Bearing Guide Wheels
1000mm (39inch) Aluminum V-Slot Extrusion 2020 Profile - Bearing Guide Wheels
Impossible de charger la disponibilité du service de retrait
Aluminum V-Slot Extrusion Kit with Guide Wheels
✔️ 1000mm (39") 2020 Profile - Sliding Door or Linear Motion Use
This 1000mm aluminum V-slot extrusion kit includes V bearing guide wheels and hardware, making it perfect for sliding barn doors, DIY CNC builds, or linear motion systems. The white wheels glide smoothly along the durable 2020 aluminum profile.
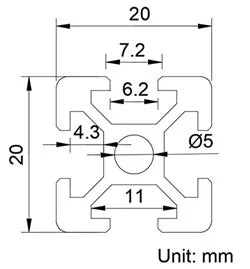
✅ 1000mm (39") long V-slot aluminum extrusion
✅ 2020 profile - ideal for linear motion applications
✅ Includes 4 white V bearing guide wheels
✅ Support plate size: 3mm x 65.5mm x 65.5mm
✅ Comes with aluminum and eccentric spacers (6mm)
✅ Includes low profile screws (25mm), M5 nuts, and shims
✅ Strong, lightweight aluminum construction
✅ Sold as one complete kit (1 rail, 1 plate, wheels, and hardware)
✅ Brand: VXB
💡 What is a V-slot extrusion used for?
V-slot extrusions are aluminum rails with a built-in track designed to guide specialized wheels for smooth linear motion. They’re commonly used in 3D printers, CNC machines, and sliding mechanisms where precise movement and low friction are essential.
A great solution for builders looking for easy-to-assemble, high-precision linear motion components.
Share



